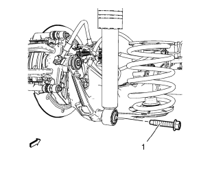
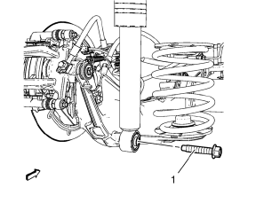
Removal Procedure


Installation Procedure
Caution: Refer to Fastener Caution in the Preface section.


Rear Axle Bushing Replacement
Shock Absorber DisposalExterior Lighting Systems Description and Operation
Exterior Lamps
The exterior lighting system consists of the following lamps if equipped:
Headlamps
Daytime Running Lamps (DRL)
Front fog lamps
Rear fog lamps
Park, tail and license lamps
Turn signal lamps
Hazard warning lamps
Repeater lamps
Stop lamps
Backup lamps
Low Beam ...
Headlining Trim Panel Replacement (Without Sunroof)
Warning: Do not attempt to repair or alter the head impact
energy-absorbing material glued to the headliner or to the garnish
trims. If the material is damaged, replace the headliner and/or the garnish
trim. Failure to do so could result in personal injury.
Caution: If a vehicle is equip ...
Rear Spring Insulator Replacement
Removal Procedure
Raise and suitably support the vehicle. Refer to Lifting and Jacking the
Vehicle.
Support the rear axle with a tall jack stand near the shock absorber.
Remove the lower shock bolt. Refer to Shock Absorber Replacement.
Using the tall jack stands, slowly lower the rear a ...